| Sign In | Join Free | My chinaqualitycrafts.com |
|
Brand Name : GIGAOPTO
Model Number : GTS-L1312-20DC
Certification : CE, FCC, ROHS, ISO9001, ISO14000, MSDS, REACH, CP65, TUV, UL
Place of Origin : China
MOQ : 1 pcs
Price : Negotiable
Payment Terms : T/T, Western Union
Supply Ability : 100,000pcs / month
Delivery Time : 1-5 working days
Packaging Details : Single Package, 10 or 20pcs per Tray, 30 or 50 or 100pcs per box, 400 or 600pcs per carton
Product Name : 1000BASE SFP
Package : SFP
Data Rate : 1.25Gb/s
Warranty : 3 years
Reach : 20km
Center Wavelength : 1310nm
Optical Components : FP
Cable Type : SMF
DOM : Supported
Keywords : 1G 1310nm 20km Module, SMF 1.25G Optical Transceiver, 1000BASE-LX/LH DOM
Cisco Compatible 1000BASE-LX/LH 1.25G 1310nm 20km SMF DOM Duplex LC SFP Optical Module
Description
The GIGAOPTO's GTS-L1312-20DC is a high performance, cost-effective transceiver supporting data-rate of 1.25Gbps and 20km transmission distance with SMF. It is a small form factor pluggable module, a hot-swappable input/output device for bi-directional serial optical data communications such as Gigabit Ethernet 1000BASE-LX and Fiber Channel 1x SM-LC-L FC-PI. The SFP module can be used and interchanged on a wide variety of switches and routers. This SFP series is designed to be compliant with SFF-8472 SFP Multi-source Agreement (MSA).
Specification
| Compatible Brand | CISCO | Compatible PN | GLC-LH-SM-20 |
| Form Type | SFP | Data Rate (Gbps) | 1.25Gbps |
| Optical Connector | Duplex LC | Max Supported Link Length | 20km |
| DOM | YES | Fibre Type | Single Mode Fiber |
| Warranty | 3 years | Operating Temperature | Commercial 0 to 70°C (32 to 158°F) |
| Wavelength | 1310nm | Power Supply Voltage | 3.3V |
| Power Consumption | 1W | Total Current | <300mA |
| Laser Type | FP 1310nm | Receiver Type | PIN |
| Average Output Power | -9.5 to -3dBm | Receiver Sensitivity | < -20dBm |
| Extinction Ratio | >9dB | Receiver Overload | >-3dBm |
| Protocols | SFF-8472 MSA Compliant, IEEE 802.3ah-2004, IEEE 802.3z | ||
Features
DDMI function available with internally calibrated mode
Receiver loss of signal output
Transmitter disable input
Commercial: 0°C~70°C
Industrial: -40°C~85°C
Application
Compatibility
Gigaopto's optical transceivers are 100% compatible with many famous switch brands and will not cause damage to OEM devices. In order to ensure the quality and compatibility of our products, each product is carefully tested on the corresponding equipment before delivery to customers.
For this (1000BASE-LX/LH SFP 1310nm 20km) compatibility, please refer to the P/N correspondence table. If the brand and part number you are looking for is not listed below, please let us know and we will be delighted to provide you with more details.
| Compatible Brand | Compatible Part Number | Compatible Brand | Compatible Part Number |
| GIGAOPTO | GTS-L1312-20DC | H3C | SFP-GE-LX-SM1310-20 |
| CISCO | GLC-LH-SM-20 | Alcatel-Lucent | 1AB187280029 |
| Juniper | SFP-1GE-LX-20 | Brocade | E1MG-LX-20 |
| Arista | SFP-1G-LX-20 |
Ordering Information
| Part Number | Package | Data Rate | Wavelength | Reach | Fiber Type | Interface |
| GTS-L0812-02DC | 1000BASE-SX SFP | 1250M | 850nm | 550m@OM2 275m@OM1 220m@FDDI | Multi Mode | LC |
| GTS-L1312-M2DC | 1000BASE-SX SFP | 1250M | 1310nm | 2km | Multi Mode | LC |
| GTS-L1312-10DC | 1000BASE-LX SFP | 1250M | 1310nm | 10km | Single Mode | LC |
| GTS-L1312-20DC | 100BASE-LH SFP | 1250M | 1310nm | 20km | Single Mode | LC |
| GTS-L1512-40DC | 1000BASE-EX SFP | 1250M | 1550nm | 40km | Single Mode | LC |
| GTS-L1312-40DC | 1000BASE-EX SFP | 1250M | 1310nm | 40km | Single Mode | LC |
| GTS-L1512-80DC | 1000BASE-ZX SFP | 1250M | 1550nm | 80km | Single Mode | LC |
| GTS-L1512-A0DC | 1000BASE-EZX SFP | 1250M | 1550nm | 100km | Single Mode | LC |
| GTS-L1512-C0DC | 1000BASE-EZX SFP | 1250M | 1550nm | 120km | Single Mode | LC |
| GTS-L1512-F0DC | 1000BASE-EZX SFP | 1250M | 1550nm | 160km | Single Mode | LC |
Pin Definition

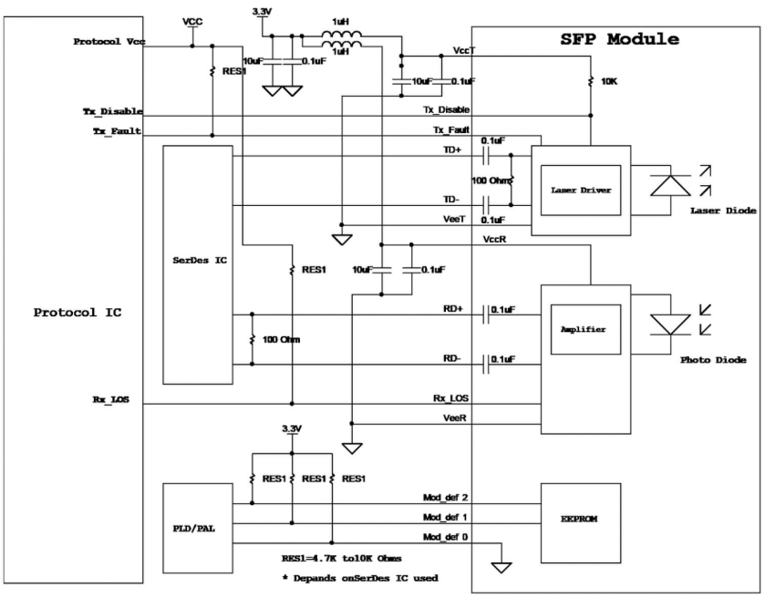
Typical Application Circuit

Package Outline
Dimensions are in millimeters. All dimensions are ±0.1mm unless otherwise specified. (Unit: mm)

|
|
1.25G SFP 1310nm 20km 1000BASE-LX/LH SMF Module Duplex LC DOM Transceiver Images |